废水检测,废水治理,废气检测,土壤检测,土壤治理
服务热线:15822768001
废水检测
关于我们
绿建规划设计
绿盈工程管理
绿沃环境科技
绿盾环境监测
公司环境及设备
主营业务
规划设计
工程管理
环境科技
环境监测
企业资讯
政策信息
法律法规
环境保护
绿色建筑
联系我们
当前所在位置 :
废水检测
>
法律法规
>
绿色建筑
绿色建筑
环境保护
绿色建筑
新闻资讯
工业地块土壤治理与资源化利用实践...
土壤检测在生态修复中的多维应用策略...
物联网技术在废气检测体系中的应用价值...
城乡废水治理场景化解决方案实践...
废水检测全流程优化策略解析...
联系我们
绿盟联合(天津)科技集团有限公司
手机号:15822768001
邮箱:lvmenglianhe@126.com
地址:天津市武清区下朱庄街广贤路东侧富兴隆盛广场46-3
绿色建筑
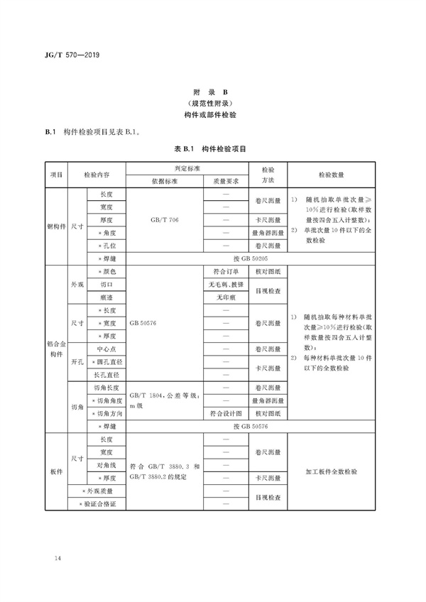
JGT570-2019装配式铝合金低层房屋及移动屋
文章来源: 时间:2021-12-10 作者:小编 点击量:
次
上一篇:JGJT 485-2019 装配式住宅建筑检测技术标准
下一篇:被动式超低能耗绿色建筑技术导则
关于我们
绿建规划设计
绿盈工程管理
绿沃环境科技
绿盾环境监测
公司环境及设备
主营业务
规划设计
工程管理
环境科技
环境监测
企业资讯
政策信息
法律法规
环境保护
绿色建筑
联系我们
京公网备案:11010102002019
备案号:津ICP备18001422号
网站地图
中央网信办互联网违法和不良信息举报中心:
https://www.12377.cn
天津市互联网违法和不良信息举报中心:tjjubao@tj.gov.cn
https://www.qinglangtianjin.com/